

评价报告公开信息表
评价报告名称 | 九江正都能源化工有限公司10万吨每年石脑油吸附分离及10万吨每年清洁油品储存调合项目安全条件评价报告 | |||||
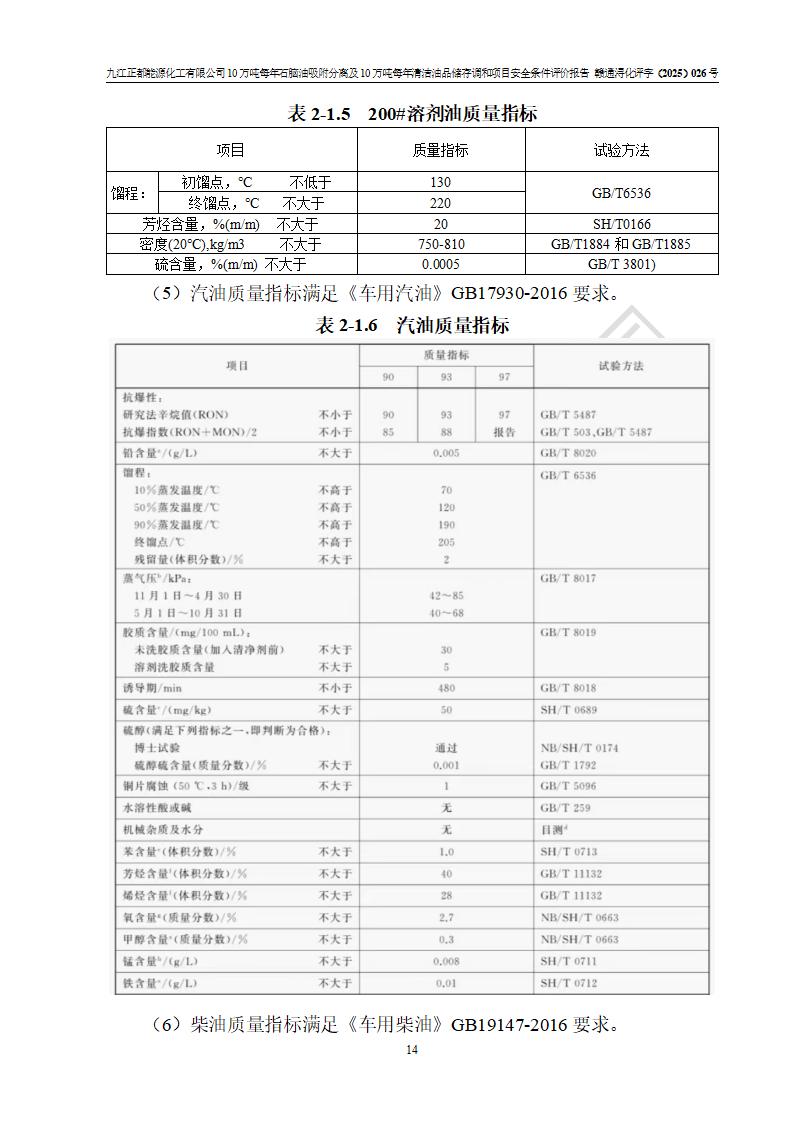
项目简介 | 九江正都能源化工有限公司是一家于2024年9月注册成立的其他有限责任公司,注册地址位于江西省九江市彭泽县矶山工业园区,占地面积约91.41亩,法人**杨锋,注册资本5600万元,经营范围有许可项目:食品添加剂生产(依法须经批准的项目,经相关部门批准后在许可**期内方可开展经营活动,具体经营项目和许可期限以相关部门批准文件或许可证件为准)一般项目:石油制品制造(不含危险化学品),石油制品销售(不含危险化学品),化工产品生产(不含许可类化工产品),化工产品销售(不含许可类化工产品),新材料技术研发,新兴能源技术研发,技术服务、技术开发、技术咨询、技术交流、技术**、技术推广,新型催化材料及助剂销售,润滑油加工、制造(不含危险化学品),润滑油销售,食品添加剂销售,货物进出口(除依法须经批准的项目外,凭营业执照依法自主开展经营活动)。 该企业拟投资42000万元新建10万吨每年石脑油吸附分离及10万吨每年清洁油品储存调合项目,产品方案具体包括正己烷1.8万吨/年,正庚烷1.8万吨/年、120#溶剂油0.4万吨/年、200#溶剂油2万吨/年、柴油1.5万吨/年、高辛烷值汽油10万吨/年,合计17.5万吨/年(以下简称为该项目)。 | |||||
参与评价项目相关人员 | 姓名 | 资格证书号 | 从业登记号 | |||
项目负责人 | 邹昌锴 | S011053000110192002910 | 037092 | |||
项目组成员 | 邹昌锴 | S011053000110192002910 | 037092 | |||
陈润洪 | 1800000000100059 | 015387 | ||||
戴立平 | 1700000000100101 | 018974 | ||||
陈煦 | S011035000110202001275 | 040553 | ||||
徐芳 | S011032000110192000873 | 037637 | ||||
报告编制人 | 邹昌锴 | S011053000110192002910 | 037092 | |||
报告审核人 | 朱汝玲 | S011032000110191000378 | 028131 | |||
过程控制负责人 | 王立 | CAWS350000230200190 | 031929 | |||
技术负责人 | 黄伯良 | 1800000000100060 | 013789 | |||
评价结论 | 评价结论:九江正都能源化工有限公司10万吨每年石脑油吸附分离及10万吨每年清洁油品储存调合项目的选址、总体布局、周边环境、自然环境能满足建设安全条件;项目选择的工艺过程及设备设施的安全可靠性能达到**法规、标准规定要求;项目存在的危险有害因素可控,在落实本评价报告提出的有关安全对策措施后,其危险有害程度能达到可以接受的程度,项目建设能够实现安全运行的目标。 | |||||
勘察现场工作时间 | 2025年4月 | 报告提交时间 | 2025年8月 | |||
勘察现场人员 | 邹昌锴、陈润洪 | |||||
现场照片 | ![]() | |||||
被评价单位信息反馈情况 | 满意 | |||||












































































































































































































































